kok科技app下载安装
企业邮箱
员工通道
网络学院
中
/
EN
搜索相关产品 :
首页
我们的业务
偏光片
纺织服装
物业租赁与管理
其它
关于kok科技app下载安装
集团概况
组织架构
高管介绍
下属企业
联系我们
新闻中心
kok科技app下载安装新闻
通知公告
抗疫专栏
党建与文化
党群建筑
企业文化
出资者关系
集团公告
业绩报告
出资者联系
加入kok科技app下载安装
专项招聘
社招需求
应届生招聘
▪ 首页
▪ 我们的业务
▪ 关于kok科技app下载安装
▪ 新闻中心
▪ 党建与文化
▪ 出资者关系
▪ 加入kok科技app下载安装
服务热线 :
18911251081
邮 箱 :
jiangp@bj-dsch.com
微 信 :
kok科技app下载安装新闻
通知公告
抗疫专栏
当前位置:
首页
>
新闻中心
>
通知公告
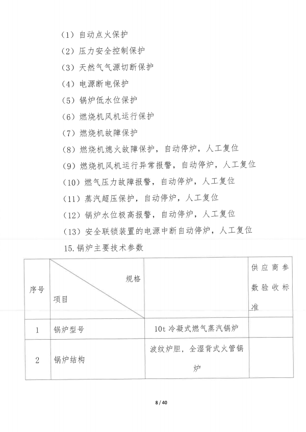
盛波公司7号线蒸汽锅炉im体育运动平台公告
文章来源:kok科技app下载安装
人气:7869
发表时间:2020-06-11 08:58:35
【
小
中
大
】
关注微信
在线客服
手机访问
服务热线
服务热线:
18911251081
公司邮箱:
jiangp@bj-dsch.com
回到顶部
XML 地图